|
 |
| |
|
|
| |
| 螺栓型滾輪軌道 | | |
|
|
結(jié)構(gòu)圖紙 |
指定 |
外徑范圍
|
|
籠子里
|

《點(diǎn)擊這里》 |
KR KR....PP with airproof |
Φ12-Φ110 |
|
偏心套,籠子里
|

《點(diǎn)擊這里》 |
KRE KRE...PP with airproof |
Φ12-Φ110 |
|
慢型 |
|
NUKR KRV KRV...PP with airproof |
Φ35-Φ90 Φ12-Φ110 |
|
|
|
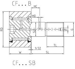
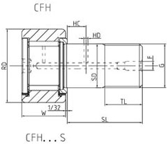
Inch Series
CF
CFH
CCF
CCFH
CF…S with airproof
CFH…S with airproof
CCF…S with airproof
CCFH…S with airproof |
Φ1/2- Φ4 |
|
用套英語(yǔ)偏心螺栓滾針軸承
|

|
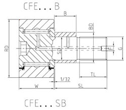
Inch Series
CFE
CCFE
CFE…S with airproof
CCFE…S with airproof |
Φ1/2- Φ4 | | | | | [返回] [打印] | |
|
|
 |
|
| |
|